Flange Torque
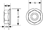
Hexagon Flange Torque Locknuts are six sided internally threaded fasteners with a washer like flange built onto them that with a deformed locking thread. Metric Hexagon Flange Torque Locknuts are used with externally threaded fasteners to apply a clamp load on an object and the locking feature is designed to keep them from loosening under normal operating conditions. Hexagon Flange Torque Locknuts can save time on installation since they do not require a use of a separate flat washer or locking component.
All Metal Locknuts should not be installed with any power tools. The increased friction created with turning a Locknut with a rotary tool such as an air ratchet or impact tool can damage the threaded components causing an undesirable situation where either the nut becomes seized onto the external thread or locking element is damaged.
All Metal Locknuts should not be installed with any power tools. The increased friction created with turning a Locknut with a rotary tool such as an air ratchet or impact tool can damage the threaded components causing an undesirable situation where either the nut becomes seized onto the external thread or locking element is damaged.
Hexagon Flange Torque Locknuts
Metric & Multistandard Components Corp. supplies DIN 6927 All Metal Prevailing Torque Flange Locknuts in Property Class 8 and 10. Metric & Multistandard also has our item # 6923V in both zinc plated steel and stainless steel. These are DIN 6923 Hexagon Flange Nut that have been punched to create a deformed locking thread.For technical and dimensional information, please click catalog icon in the header.